三相四线系统安装熔断器时,必须安装在相线上,中性线(N线)、保护中性线(PEN线)严禁安装熔断器。
2024-09-09 华体会体育在线注册,华体会体育(中国)
事件前机组运行方式:#4机组有功:200MW,无功:48MVar,主汽温度532/533℃,再热汽温546/540℃,双侧风烟系统运行,厂用标准方式,#1-4磨煤机运行,#5磨煤机检修;#2给水泵运行,#3给水泵备用,#1给水泵检修。
2024-05-20 华体会体育在线注册,华体会体育(中国)
电压互感器熔断器又熔断了
2023-10-08 华体会体育在线注册,华体会体育(中国)
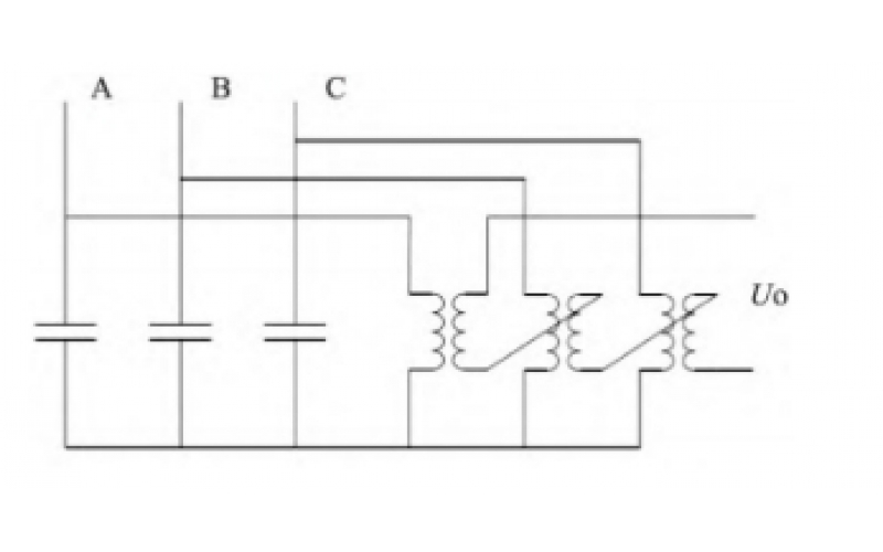
电容器组不平衡保护四种接线方式
2023-09-25 华体会体育在线注册,华体会体育(中国)
并联电容器组保护概述
开关柜操作顺序知识分享
2023-09-15 华体会体育在线注册,华体会体育(中国)
10 kV架空电力线路上变压器、跌落式熔断器、避雷器、隔离开关等等设备安装要求
2023-08-31 华体会体育在线注册,华体会体育(中国)
负荷开关与断路器的区别
2023-08-16 华体会体育在线注册,华体会体育(中国)