继电保护也会犯浅显错误
2022-08-23 华体会体育在线注册,华体会体育(中国)电气
无线测温系统在某项目的应用
2022-08-05 华体会体育在线注册,华体会体育(中国)
红外热成像仪铁路供电系统保障应用
2022-08-04 华体会体育在线注册,华体会体育(中国)
两万五千多安的故障电流,你见识过吗?
2022-07-04 华体会体育在线注册,华体会体育(中国)电气
华体会体育在线注册,华体会体育(中国)-电机智能管理系统知识分享
2022-05-26 华体会体育在线注册,华体会体育(中国)电气
水泵电机电流的速算经验分享-KWZK华体会体育在线注册,华体会体育(中国)电气
2022-05-23 华体会体育在线注册,华体会体育(中国)电气
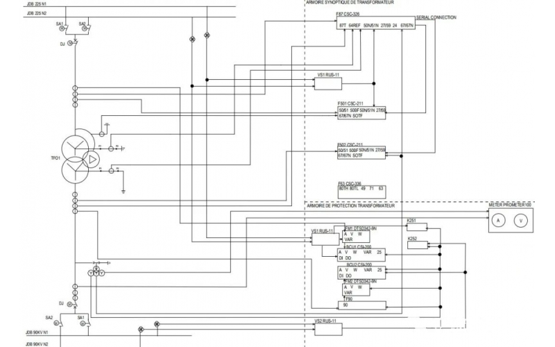
变压器间隔使用225kv母线电压与90kv母线实现检同期的研究知识
2022-04-28 华体会体育在线注册,华体会体育(中国)电气
ABB低压变频器常见故障处理知识汇总
2022-04-04 华体会体育在线注册,华体会体育(中国)